Описание компании
ООО Шанхай Трисун по изготовлению механических деталей ООО Шанхай Трисун по изготовлению механических деталей является ведущей компанией по разработке и производству уплотнений в жидкой среде. Главный офис находится в Шанхайском Пудонском фин
Классификация продукции

Product

Главная » Продукты » Мешалка и смеситель уплотнение
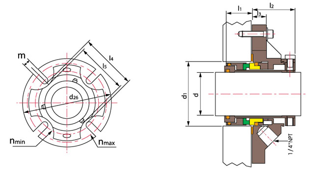
TSMA-A03 (заменять AESSEAL CSM )inches
название:

TSMA-A03 (заменять AESSEAL CSM )inches


(Мешалка и смеситель уплотнение)


Технические параметры:
Давление: ≤2.1MPa
Ско¬рость: ≤25m/s
Температура: -30˚C~+220˚C

Подвижное кольцо(карбид кремния/углеграфит/карбид вольфрама)
Неподвижное кольцо(карбид кремния/карбид вольфрама)
Вспомогательное уплотнение(фторкаучук/обшивной круг/тефлон)
Другие детали (нержавеющая сталь/титан/Hastelloy-C)

d(инч) d26 l4 l5 l3 d1 n m l1 l2 K
min mint max min max max max
1.000 4.125 2.125 1.937 0.519 1.625 1.665 1.937 2.687 3.562 1/2 1.125 1.590 0.040
1.125 4.250 2.250 2.063 0.519 1.750 1.790 2.062 2.812 3.687 1/2 1.125 1.590 0.040
1.250 4.375 2.375 2.187 0.519 1.875 1.915 2.187 2.937 3.812 1/2 1.125 1.590 0.040
1.375 4.375 2.500 2.312 0.519 2.000 2.040 2.250 3.062 3.812 1/2 1.125 1.590 0.040
1.500 5.000 2.812 2.562 0.644 2.250 2.290 2.375 3.375 4.437 1/2 1.125 1.752 0.040
1.625 5.000 2.812 2.562 0.644 2.375 2.415 2.500 3.375 4.437 1/2 1.125 1.752 0.040
1.750 5.500 3.187 2.812 0.644 2.500 2.540 2.750 3.750 4.937 1/2 1.125 1.752 0.040
1.875 5.500 3.187 2.812 0.644 2.625 2.665 2.875 3.750 4.937 1/2 1.125 1.752 0.040
2.000 6.000 3.562 3.063 0.644 2.750 2.790 3.000 4.125 5.437 1/2 1.125 1.752 0.040
2.000-AC 5.250 3.450 3.035 0.644 2.750 2.790 3.000 4.000 4.750 1/2 1.125 1.752 0.040
2.125 6.000 3.562 3.063 0.644 2.875 2.915 3.125 4.125 5.437 1/2 1.125 1.752 0.040
2.250 6.500 3.812 3.312 0.644 3.000 3.040 3.250 4.500 5.812 5/8 1.125 1.752 0.040
2.375 6.500 3.812 3.312 0.644 3.125 3.165 3.375 4.500 5.812 5/8 1.125 1.752 0.040
2.500 7.000 4.312 3.812 0.769 3.375 3.435 3.625 5.000 6.312 5/8 1.250 1.877 0.060
2.625 7.000 4.312 3.812 0.769 3.500 3.560 3.750 5.000 6.312 5/8 1.250 1.877 0.060
2.750 7.000 4.312 3.812 0.769 3.625 3.685 3.875 5.000 6.312 5/8 1.250 1.877 0.060
2.875 7.500 4.937 4.250 0.769 3.750 3.810 4.125 5.625 6.812 5/8 1.250 1.877 0.060
3.000 7.500 4.937 4.250 0.769 3.875 3.935 4.250 5.625 6.812 5/8 1.250 1.877 0.060
3.125 7.500 4.937 4.250 0.769 4.000 4.060 4.375 5.625 6.812 5/8 1.250 1.877 0.060
3.250 8.000 5.312 4.625 0.769 4.125 4.185 4.500 6.125 7.187 3/4 1.250 1.877 0.060
3.375 8.000 5.312 4.625 0.769 4.250 4.310 4.625 6.125 7.187 3/4 1.250 1.877 0.060
3.500 8.000 5.312 4.625 0.769 4.375 4.435 4.750 6.125 7.187 3/4 1.250 1.877 0.060
3.625 8.500 5.937 5.000 0.769 4.500 4.560 5.000 6.750 7.687 3/4 1.250 1.877 0.060
3.750 8.500 5.937 5.000 0.769 4.625 4.685 5.125 6.750 7.687 3/4 1.250 1.877 0.060
3.875 8.500 5.937 5.000 0.769 4.750 4.810 5.250 6.750 7.687 3/4 1.250 1.877 0.060
4.000 9.000 6.625 5.375 0.769 4.875 4.935 5.500 7.437 8.187 3/4 1.250 1.877 0.060
4.125 9.000 6.625 5.375 0.769 5.125 5.185 5.875 7.437 8.187 3/4 1.250 1.877 0.060
4.250 9.000 6.625 5.375 0.769 5.125 5.185 5.875 7.437 8.187 3/4 1.250 1.877 0.060
4.375 9.500 7.000 5.750 0.769 5.375 5.435 6.250 7.812 8.687 3/4 1.250 1.877 0.060
4.500 9.500 7.000 5.750 0.769 5.375 5.435 6.250 7.812 8.687 3/4 1.250 1.877 0.060
4.625 10.000 7.345 6.125 0.769 5.625 5.685 6.625 8.312 9.062 7/8 1.250 1.877 0.060
4.750 10.000 7.345 6.125 0.769 5.625 5.685 6.625 8.312 9.062 7/8 1.250 1.877 0.060
4.875 10.000 7.345 6.125 0.769

5.875

 

5.935 6.625 8.312 9.062 7/8 1.250 1.877 0.060
5.000 10.000 7.345 6.125 0.769 5.875 5.935 6.625 8.312 9.062 7/8 1.250 1.877 0.060

Добро пожаловать на наш сайт! Если у Вас есть требования или вопросы, пожалуйста, оставьте сообщение, мы ответим Вам в течение 24 часов!

Имя: *
Страна: *
Телефон: *
Компания:
E-мейл: *
сообщение: *
Предыдущий ТОВАРЫ:TSMA-A03 (заменять AESSEAL CSM )mm
Cледующий ТОВАРЫ:none
Яндекс.Метрика Яндекс.Метрика