Product
Главная » Продукты » Металлическое сильфонное уплотнение

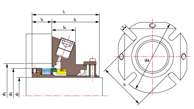
Технические параметры:
Давление: ≤2MPa
Ско¬рость: ≤25m/s
Температура: -40˚C~+220˚C
● Подвижное кольцо(карбид кремния/углеграфит/карбид вольфрама)
● Неподвижное кольцо(карбид кремния/карбид вольфрама)
● Вспомогательное уплотнение(фторкаучук/обшивной круг/тефлон)
● Металлический сильфон(SUS316L/AM350/Inconel718/титан/Hastelloy-C/сплав-20)
● Другие детали (нержавеющая сталь/титан/Hastelloy-C)
| d1(mm) | d2 | d3 | l1 | l2 | l3 | l4 | da | l5 | s | |
| min | max | |||||||||
| 25 | 45.0 | 47.0 | 51.0 | 79.5 | 26.1 | 53.4 | 25.4 | 105.0 | 62.0 | 13.2 |
| 30 | 49.4 | 52.0 | 56.0 | 78.4 | 25.0 | 53.4 | 25.4 | 105.0 | 67.0 | 13.2 |
| 32 | 52.3 | 54.5 | 57.0 | 78.4 | 25.0 | 53.4 | 25.4 | 108.0 | 70.0 | 13.2 |
| 33 | 52.3 | 54.5 | 57.0 | 78.4 | 25.0 | 53.4 | 25.4 | 108.0 | 70.0 | 13.2 |
| 35 | 54.8 | 58.0 | 61.5 | 78.4 | 25.0 | 53.4 | 25.4 | 113.0 | 72.0 | 13.2 |
| 38 | 57.5 | 60.0 | 66.0 | 78.4 | 25.0 | 53.4 | 25.4 | 123.0 | 75.0 | 14.0 |
| 40 | 58.8 | 62.0 | 68.0 | 78.2 | 24.8 | 53.4 | 25.4 | 123.0 | 77.0 | 14.2 |
| 43 | 61.9 | 64.5 | 70.5 | 78.4 | 25.0 | 53.4 | 25.4 | 133.0 | 80.0 | 14.2 |
| 45 | 65.0 | 68.5 | 73.0 | 78.4 | 25.0 | 53.4 | 25.4 | 138.0 | 82.0 | 14.2 |
| 48 | 68.4 | 71.0 | 75.0 | 78.7 | 25.3 | 53.4 | 25.4 | 138.0 | 85.0 | 14.2 |
| 50 | 70.0 | 73.0 | 78.0 | 79.1 | 25.7 | 53.4 | 25.4 | 148.0 | 87.0 | 14.2 |
| 53 | 71.9 | 75.0 | 87.0 | 77.8 | 24.4 | 53.4 | 25.4 | 148.0 | 97.0 | 18.0 |
| 55 | 74.6 | 77.0 | 83.0 | 78.9 | 25.5 | 53.4 | 25.4 | 148.0 | 92.0 | 18.0 |
| 60 | 83.9 | 87.0 | 91.0 | 80.1 | 26.7 | 53.4 | 25.4 | 157.0 | 102.0 | 18.0 |
| 65 | 87.5 | 90.0 | 98.5 | 80.0 | 26.6 | 53.4 | 25.4 | 163.0 | 109.3 | 18.0 |
| 70 | 93.0 | 98.0 | 108.0 | 81.5 | 28.1 | 53.4 | 25.4 | 178.0 | 118.3 | 18.0 |
| 75 | 96.8 | 101.6 | 118.0 | 94.4 | 30.5 | 63.9 | 28.0 | 190.0 | 129.0 | 18.0 |
| 80 | 104.7 | 108.0 | 124.0 | 94.4 | 30.4 | 64.0 | 28.0 | 195.0 | 135.0 | 18.0 |
Добро пожаловать на наш сайт! Если у Вас есть требования или вопросы, пожалуйста, оставьте сообщение, мы ответим Вам в течение 24 часов!