Product
Главная » Продукты » Металлическое сильфонное уплотнение

Технические параметры:
Давление: ≤2MPa
Ско¬рость: ≤20m/s
Температура: -30˚C~+204˚C
● Подвижное кольцо(карбид кремния/углеграфит/карбид вольфрама)
● Неподвижное кольцо(карбид кремния/карбид вольфрама)
● Вспомогательное уплотнение(фторкаучук/тефлон/обшивной круг/ гибкий углеграфит)
● Металлический сильфон(SUS316L/AM350/Inconel718/титан/Hastelloy-C/сплав-20)
● Другие детали (нержавеющая сталь/титан/Hastelloy-C)
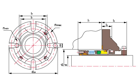
| d | d26 | l4 | l5 | l3 | d1 | n | m | l1 | l2 | ||
| (инч) | min | max | min | max | max | ||||||
| 1.000 | 4.125 | 2.125 | 1.937 | 0.519 | 1.625 | 1.937 | 2.687 | 3.562 | 1/2 | 1.531 | 1.590 |
| 1.125 | 4.250 | 2.250 | 2.063 | 0.519 | 1.750 | 2.062 | 2.812 | 3.687 | 1/2 | 1.531 | 1.590 |
| 1.250 | 4.375 | 2.375 | 2.187 | 0.519 | 1.875 | 2.187 | 2.937 | 3.812 | 1/2 | 1.531 | 1.590 |
| 1.375 | 4.375 | 2.500 | 2.312 | 0.519 | 2.000 | 2.250 | 3.062 | 3.812 | 1/2 | 1.531 | 1.590 |
| 1.500 | 5.000 | 2.812 | 2.562 | 0.644 | 2.250 | 2.375 | 3.375 | 4.437 | 1/2 | 1.687 | 1.752 |
| 1.625 | 5.000 | 2.812 | 2.562 | 0.644 | 2.375 | 2.500 | 3.375 | 4.437 | 1/2 | 1.687 | 1.752 |
| 1.750 | 5.500 | 3.187 | 2.812 | 0.644 | 2.500 | 2.750 | 3.750 | 4.937 | 1/2 | 1.687 | 1.752 |
| 1.875 | 5.500 | 3.187 | 2.812 | 0.644 | 2.625 | 2.875 | 3.750 | 4.937 | 1/2 | 1.687 | 1.752 |
| 2.000 | 6.000 | 3.562 | 3.063 | 0.644 | 2.750 | 3.000 | 4.125 | 5.437 | 1/2 | 1.750 | 1.752 |
| 2.000-AC | 5.250 | 3.450 | 3.035 | 0.644 | 2.750 | 3.000 | 4.000 | 4.750 | 1/2 | 1.750 | 1.752 |
| 2.125 | 6.000 | 3.562 | 3.063 | 0.644 | 2.875 | 3.125 | 4.125 | 5.437 | 1/2 | 1.750 | 1.752 |
| 2.250 | 6.500 | 3.812 | 3.312 | 0.644 | 3.000 | 3.250 | 4.500 | 5.812 | 5/8 | 1.750 | 1.752 |
| 2.375 | 6.500 | 3.812 | 3.312 | 0.644 | 3.125 | 3.375 | 4.500 | 5.812 | 5/8 | 1.750 | 1.752 |
| 2.500 | 7.000 | 4.312 | 3.812 | 0.769 | 3.375 | 3.625 | 5.000 | 6.312 | 5/8 | 2.031 | 1.877 |
| 2.625 | 7.000 | 4.312 | 3.812 | 0.769 | 3.500 | 3.750 | 5.000 | 6.312 | 5/8 | 2.031 | 1.877 |
| 2.750 | 7.000 | 4.312 | 3.812 | 0.769 | 3.625 | 3.875 | 5.000 | 6.312 | 5/8 | 2.031 | 1.877 |
| 2.875 | 7.500 | 4.937 | 4.250 | 0.769 | 3.750 | 4.125 | 5.625 | 6.812 | 5/8 | 2.031 | 1.877 |
| 3.000 | 7.500 | 4.937 | 4.250 | 0.769 | 3.875 | 4.250 | 5.625 | 6.812 | 5/8 | 2.150 | 1.877 |
| 3.125 | 7.500 | 4.937 | 4.250 | 0.769 | 4.000 | 4.375 | 5.625 | 6.812 | 5/8 | 2.150 | 1.877 |
| 3.250 | 8.000 | 5.312 | 4.625 | 0.769 | 4.125 | 4.500 | 6.125 | 7.187 | 3/4 | 2.150 | 1.877 |
| 3.375 | 8.000 | 5.312 | 4.625 | 0.769 | 4.250 | 4.625 | 6.125 | 7.187 | 3/4 | 2.150 | 1.877 |
| 3.500 | 8.000 | 5.312 | 4.625 | 0.769 | 4.375 | 4.750 | 6.125 | 7.187 | 3/4 | 2.150 | 1.877 |
| 3.625 | 8.500 | 5.937 | 5.000 | 0.769 | 4.500 | 5.000 | 6.750 | 7.687 | 3/4 | 2.150 | 1.877 |
| 3.750 | 8.500 | 5.937 | 5.000 | 0.769 | 4.625 | 5.125 | 6.750 | 7.687 | 3/4 | 2.150 | 1.877 |
| 3.875 | 9.000 | 6.625 | 5.375 | 0.769 | 4.875 | 5.500 | 7.437 | 8.187 | 3/4 | 2.150 | 1.877 |
| 4.000 | 9.000 | 6.625 | 5.375 | 0.769 | 4.875 | 5.500 | 7.437 | 8.187 | 3/4 | 2.150 | 1.877 |
Добро пожаловать на наш сайт! Если у Вас есть требования или вопросы, пожалуйста, оставьте сообщение, мы ответим Вам в течение 24 часов!